🏠
다른 기출문제 선택
신재생에너지발전설비기사
2021년
순백
따스함
심야
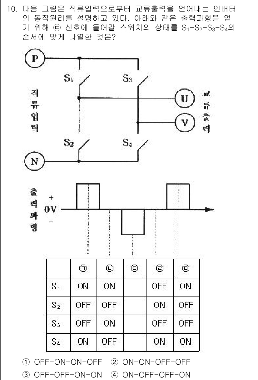
10
다음 문제를 보고 알맞은 답 고르시오.
👇 알맞은 정답 번호를 마킹해주세요.
1
선택하기
2
선택하기
3
선택하기
4
선택하기
정답 및 해설 보기
🤍
나중에 복습하기 (저장)
이전
다음
📌 우측 고정(Sticky) 배너 영역
문제 풀이에 전혀 방해를 주지 않으면서
스크롤을 따라다니며 수익을 창출합니다.